Новости, обзоры и акции
Новости, обзоры и акции
|
|
|
|
|
|
(0)
|
Блок управления Вентс модельного ряда БУ предназначен для автоматизации работы вентиляторов бытового назначения. В состав блока управления Вентс БУ 1-60 входят такие функции: реле, таймер, датчик движения и датчик влажности.

Блоки управления Вентс серии БУ предназначены для управления, автоматизации работы бытового вентилятора. Блок управления Вентс БУ 1-60 включает в себя автоматичеcкие функции управления c использованием датчика влажности, таймера, фотореле и датчика движения. Данные функции используются в любом сочетании, необходимом пользователю. Возможно управление несколькими вентиляторами в том случае, если потребляемый суммарный ток не превышает предельно допустимую величину тока блока управления.
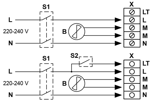
В – вентилятор;
S1 – автоматический выключатель;
S2 – внешний выключатель;
X – входной клеммник БУ.
Блок управления Вентс БУ 1-60 |
||
|
|
||
|
Параметр |
Ед. изм |
Величина |
|
Напряжение |
В |
230 |
|
Габариты |
мм |
151х46х27 |
|
Температурный диапазон регулирования |
°С |
0-45 |
|
Потребляемая мощность |
Вт |
0,5 |
|
Максимальная выходная мощность |
Вт |
80 |
|
Точность воспроизвед. врем. интервалов |
сек |
+/- 1 |
|
Диапазон регулирования порога влажности |
% |
60-100 |
|
Защита |
Класс |
IP-34 |
|
Масса |
кг |
0,075 |
|
|
|
|
|
|
(0)
|
|
|
|
|
|
|
(0)
|
|
|
|
|
|
|
(1)
|
|
|
|
|
|
|
(0)
|
Новости, обзоры и акции

