Новости, обзоры и акции
Новости, обзоры и акции
|
|
|
|
|
|
(0)
|
ERAD 250 – 4 предназначена для применения в системах кондиционирования/вентиляции воздуха в помещениях общественного, жилого, производственного значения. Регулирование производительности до 100% в плавном режиме.

ERAD 250 – 4 предназначена для применения в системах кондиционирования/вентиляции воздуха в помещениях общественного, жилого, производственного значения. Регулирование производительности до 100% в плавном режиме.
Атмосферостойкий двигатель вентиляторов DHAD(E) – DHPAD(E) - EHAD(E) устанавливается за пределами воздушного потока. Принцип работы – двухстороннее всасывание. Типоразмер определяется в соотношении с диаметром рабочего колеса по наружным размерам.
Конструкция корпуса вентилирующих устройств изготавливается из высокопрочной стали (оцинкованной), стенки - 4мм толщиной. Конструкция исполнена в виде завитка – «улитки». Части корпуса с завитком соединяются вертикальным пазом. Возможна фиксация конструкции каждые 90⁰ путём крепления через специально изготовленные отверстия в «лапах».
Лопатки имеют вогнутую форму, зафиксированы на алюминиевом рабочем колесе в положении загнутом назад и способны вращаться в правую сторону.
Вентилятор ERAE 250 – 4 |
||||||||||||
|
|
||||||||||||
|
Название параметра/единица измерения |
Модель вентилятора ERAE 250 – 4 |
|||||||||||
|
Напряжение, В |
400 |
|||||||||||
|
Потребляемая мощность, Вт |
550 |
|||||||||||
|
Сила тока, А |
0.95 |
|||||||||||
|
Фазность |
трёхфазный |
|||||||||||
|
Частота тока, Гц |
50 |
|||||||||||
|
Максимальное кол-во перемещаемого воздуха, м³/час |
28000 |
|||||||||||
|
Высота установки, м |
518 |
|||||||||||
|
Скорость вращения оборотов/минуту |
2480 |
|||||||||||
|
Класс изоляции двигателя |
F |
|||||||||||
|
Класс защиты двигателя |
IP 44 |
|||||||||||
|
Материал изготовления корпуса |
Сталь оцинкованная |
|||||||||||
|
Максимальный показатель температуры перемещаемого воздуха, ⁰С |
60 |
|||||||||||
|
Общая масса, кг |
14 |
|||||||||||
|
Рабочее давление (макс.показатель), Па |
1300 |
|||||||||||
_dhad(e)_dhpad(e).png)
|
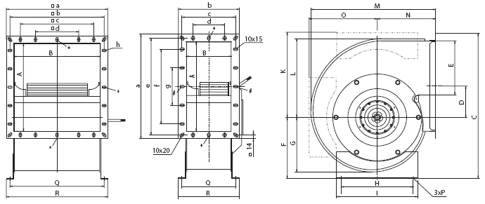
Габаритные размеры, мм |
||||||||||||
|
A |
B |
C |
D |
E |
F |
G |
H |
I |
R |
L |
M |
|
|
317 |
162 |
518 |
110 |
195 |
218 |
193 |
214 |
240 |
307 |
280 |
440 |
|
|
N |
O |
P |
Q |
R |
a |
b |
c |
d |
e |
f |
q |
|
|
208 |
235 |
9 |
189 |
220 |
337 |
222 |
198 |
100 |
356 |
300 |
100 |
|

|
|
|
|
|
|
(0)
|
|
|
|
|
|
|
(0)
|
|
|
|
|
|
|
(0)
|
|
|
|
|
|
|
(0)
|
Новости, обзоры и акции
