Новости, обзоры и акции
Новости, обзоры и акции
|
|
|
|
|
|
(0)
|
Гибкая вставка EVH 355 купить, цена, характеристики, фото
Описание EVH 355: Гибкая вставка EVH исполняет вибропоглащающую и соединительную функцию и делает воздуховод длиннее. Предназначена для соединения круглых воздуховодов. Используются вместе с осевыми вентиляторами AXC. Максимальная рабочая температура 400?С/2 часа.
Конструкция: Гибкая вставка EVH состоит из двух оцинкованных стальных фланцев и ткани с неопреновым покрытием. Крепится к воздуховоду с помощью болтов.
Технические характеристики EVH 355
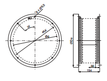
Габаритные размеры, мм
|
|
||||
|
|
?Da |
? d |
? LK |
W° |
|
355 |
428 |
361 |
395 |
45° |
|
|
|
|
|
|
(0)
|
Новости, обзоры и акции

