Новости, обзоры и акции
Новости, обзоры и акции
|
|
|
|
|
|
(0)
|
Крановый электродвигатель МТКН312-8 двигатель МТКН 312-8 купить, цена, характеристики, фото
|
Тип двигателя |
nс=1000 об/мин |
МТКН 312-8 |
|||||||||||||||||||
|
Номинальная мощность, кВт, S3 – ПВ 40% |
11 |
||||||||||||||||||||
|
Коэффициент мощности (Cos?) |
0,73 |
||||||||||||||||||||
|
Коэффициент полезного действия, % |
81,5 |
||||||||||||||||||||
|
Сила тока при 380 В, А |
28,0 |
||||||||||||||||||||
|
Частота вращения, об/мин |
700 |
||||||||||||||||||||
|
Отношение тока пускового к номинальному току |
5,2 |
||||||||||||||||||||
|
Отношение момента максимального к номинальному моменту |
3,5 |
||||||||||||||||||||
|
Отношение момента пускового к номинальному моменту |
3,5 |
||||||||||||||||||||
|
Момент инерции ротора, кгм2 |
0,371 |
||||||||||||||||||||
|
Диаметр вала, мм |
50 |
||||||||||||||||||||
|
Масса двигателя (ІМ10..), кг |
220 |
||||||||||||||||||||
|
|
|||||||||||||||||||||
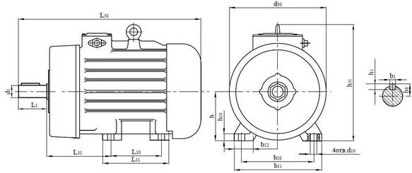
|
Типоразмер электродвигателя |
b1 |
b10 |
b11 |
d1 |
d10 |
d30 |
h |
h1 |
h5 |
h10 |
h31 |
l1 |
l10 |
l11 |
l30 |
l30* |
l31 |
l31* |
l33 |
||
|
МТКН 312 |
14 |
280 |
350 |
50 |
24 |
422 |
180 |
9 |
53,5 |
21,5 |
480 |
110 |
320 |
380 |
690 |
- |
170 |
- |
810 |
||
Новости, обзоры и акции
