Новости, обзоры и акции
Новости, обзоры и акции
|
|
|
|
|
|
(0)
|
Приточно-вытяжная установка с рекуперацией тепла MAXI 1100 HW купить, цена, характеристики, фото
Общие сведения: Установка с рекуперацией тепла MAXI используется для очистки воздуха и поддержания необходимой температуры и влаги в помещениях:
Рекомендации по применению: Установки с рекуперацией тепла широко используют для вентиляции квартир, домов, офисов.
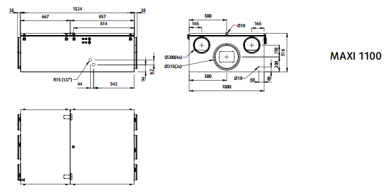
Конструкция: В приточно-вытяжную установку с рекуперацией тепла MAXI входит панель управления, пластинчатый теплообменник, приточный и вытяжной центробежный вентилятор, фильтры и электрический воздухонагреватель в модели MAXI EL и водяной воздухонагреватель в модели MAXI HW . Корпус установки MAXI изготовлен из листовой стали оцинкованной. Изоляцию установок MAXI осуществляют с помощью 50мм минеральной ваты. Приточно-вытяжная установка с рекуперацией тепла может переключаться на дневной и ночной режим роботы, с помощью панели управления.
Двигатель: В приточно-вытяжных установках с рекуперацией тепла MAXI используют высокоэффективные ЕС-двигатели вентиляторов.
Монтаж: Предназначены для монтажа на стену на кронштейны в горизонтальном положении, может устанавливаться за подвесным потолком или в подсобных помещениях.
Технические характеристики установки с рекуперацией тепла MAXI
|
|
Технические данные |
Модель |
1100HW |
|
Напряжение/Частота |
В/50Гц |
230 |
|
|
Фазность |
~ |
1 |
|
|
Мощность, двигатели |
Вт |
2x492 |
|
|
Мощность, нагреватель |
кВт |
* |
|
|
Предохранитель |
A |
10 |
|
|
Вес |
кг |
165 |
|
|
Фильтр, приточ.воздух |
- |
F5 |
|
|
Фильтр, вытяжной воздух |
- |
G3 |
|
|
|
|||
|
|
|
|
|
|
(0)
|
|
|
|
|
|
|
(0)
|
|
|
|
|
|
|
(0)
|
|
|
|
|
|
|
(0)
|
Новости, обзоры и акции
