Новости, обзоры и акции
Новости, обзоры и акции
|
|
|
|
|
|
(0)
|
ВЕНТС (Vents) ВУТ 400 ЭГ ЕС ЭКО – одно из самых эффективных решений в области энергосбережения. Оснащена ЕС мотором, рекуператором, электронагревателем – по желанию клиента. Предназначена для соединения с круглым воздуховодом диаметром 200 мм.
Приточно-вытяжной вентагрегат ВЕНТС (Vents) ВУТ 400 ЭГ
ЕС ЭКО отлично справятся с кондиционированием и вентиляцией зданий, обеспечат чистым и свежим воздухом помещения различного назначения. Данный агрегаты экономичны с точки зрения энергопотребления, благодаря высокоэффективным ЕС моторам и усовершенствованному рекуператору противотока. Агрегаты серии ЭКО - одни из лучших среди аналогов по показателям энергосбережения. Данные агрегаты предназначены для соединения с круглыми каналами диаметром 200 мм.
Материал корпуса установки - алюмоцинковая сталь. Для тепло- и звукоизоляции служит минвата толщиной 25 мм. Очистку приточного воздуха осуществляет карманный фильтр со степенью очистки G4, а очистку воздуха на вытяжке- кассетный фильтр G4. В качестве двигателей вентиляторов использованы высокоэффективные электронно-коммутируемые (ЕС) моторы с внешним ротором, оснащенные колесом с лопатками, загнутыми назад. Эти двигатели являются высокопроизводительными, на сегодня они - наиболее эффективное решение в энергосбережении. Важным преимуществом ЕС-моторов является их высокий КПД (до 90 %). Установка ВЕНТС (Vents) ВУТ 400 ЭГ ЕС ЭКО оснащена пластинчатым рекуператором из полистирола. Его тип - противоток. Под блоком рекуператора находится поддон для сбора и отведения конденсата. Дополнительно установка может комплектоваться электрическим нагревателем. Он не входит в комплектацию и поставляется отдельно.
Данная модель комплектуется встроенной системой автоматики и удобной панелью управления с графическим сенсорным дисплеем. С помощью панели управления можно не только включать (выключать) установку, но и поддерживать нужную температуру воздуха, регулировать скорость вращения вентиляторов, программировать режим работы агрегата на сутки и на неделю. Также на дисплее отображается состояние фильтров (для контроля за загрязненностью). Рекуператор в автоматическом режиме защищен от обмерзания: по сигналу датчика температуры его прогревает теплый вытяжной воздух. Если установка оснащена электронагревателем, то по датчику температуры рекуператор прогревается теплым вытяжным воздухом.
Агрегат предназначен для установки на полу, также может подвешиваться к потолку. При этом нужно обеспечить доступ со стороны передней панели для чистки фильтров и сервисного обслуживания.
Купить данную современную модель вентиляционной тустановки можно прямо на интернет-сайте нашего магазина вентоборудования. Специально для наших покупателей цены ниже на 9% по сравнению с рыночными. Мы предоставим консультации специалистов, сервис и надежную доставку. Покупайте у нас!
Более подробную информацию о приточно-вытяжных установках с рекуператором ВЕНТС ВУТ ЭГ ЕС смотрите ЗДЕСЬ
Шумоглушители СР (круглые) |
Клапаны КОМ |
Канальный электронагреватель НК
|
|
|
|
|
Заслонки КРА (круглые) |
Шумоглушители СРФ |
Хомуты Х |
|
|
|
|
Приточно-вытяжная установка ВЕНТС (Vents) ВУТ 400 ЭГ ЕС ЭКО |
||
|
|
||
|
Параметр |
Величина |
Единица измерения |
|
Фазность |
1 |
|
|
Напряжение |
230 |
В |
|
Частота тока |
50 |
Гц |
|
Максимальная мощность вентилятора |
2 шт. х 115 |
Вт |
|
Ток вентилятора |
2 шт х 0,9 |
А |
|
Мощн. электронагревателя (доп. компл.) |
3000 |
Вт |
|
Ток электронагревателя |
13 |
А |
|
Суммарная мощность установки |
3230 |
Вт |
|
Суммарный ток установки |
14.8 |
А |
|
Максимальный расход воздуха |
450 |
м³/ч |
|
Частота вращения |
2600 |
минˉ¹ |
|
Уровень звукового давления на расст. 3 м |
28-47 |
dB(A) |
|
Материал корпуса |
алюмоцинк |
|
|
Макс. темп. перемещаемого воздуха |
-25 +60 |
оС |
|
Изоляция |
25 мм, мин. вата |
|
|
Размер подключаемого воздуховода |
200 |
мм |
|
Масса |
47 |
кг |
|
Фильтр: вытяжка |
G4 |
|
|
Фильтр: приток |
G4/F7(EU7) |
|
|
Эффективность рекуперации |
до 98% |
|
|
Тип рекуператора |
противоток |
|
|
Материал рекуператора |
полистирол |
|
|
Рекуперация тепла |
да |
|
|
ЕС мотор |
да |
|
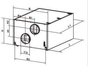
| Размеры, мм | |||||||||
![]() |
|||||||||
| D | B | B1 | B2 | В3 | Н | H1 | Н2 | L | L1 |
| 199 | 687 | 255 | 588 | 220 | 514 | 235 | 139 | 1092 | 1174 |

|
|
|
|
|
|
(0)
|
|
|
|
|
|
|
(0)
|
|
|
|
|
|
|
(0)
|
|
|
|
|
|
|
(0)
|
Новости, обзоры и акции







