Новости, обзоры и акции
Новости, обзоры и акции
|
|
|
|
|
|
(0)
|
Рольганговый электродвигатель 4АР2П132М8?4АР2П 132М8?4АР2П 132 М8
|
Частота тока, f, Гц |
Номинальное напряжение, Uн, В |
Номинальная частота вращения, об/мин |
Номинальная мощность, кВт |
Коэффициент мощности (Cos?) |
Коэффициент полезного действия, % |
Номинальный ток, А |
Номинальный момент, Мном, Нм |
Максимальный момент, Ммах, Нм |
Ток, при Ммах, А |
Динамический момент инерции ротора, кгм2 |
Диаметр вала, мм |
Масса двигателя (ІМ1001), кг |
||||||||||||||||||||||
|
20 |
173 |
270 |
0,68 |
0,60 |
62,0 |
6,1 |
24,0 |
60 |
17,0 |
0,0510 |
38 |
85,0 |
||||||||||||||||||||||
|
50 |
380 |
715 |
1,80 |
0,60 |
80,0 |
5,7 |
24,0 |
70 |
19,0 |
|||||||||||||||||||||||||
|
|
||||||||||||||||||||||||||||||||||
|
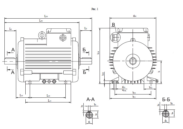
Тип электро-двигателя |
b1 |
b2 |
b10 |
b11 |
b12 |
d1 |
d2 |
d10 |
d33 |
h |
h1 |
h2 |
h5 |
h6 |
h10 |
h31 |
l1 |
l2 |
l10 |
l11 |
l30 |
l31 |
l33 |
|||||||||||
|
4АР132М |
10 |
10 |
216 |
290 |
60 |
38 |
38 |
12 |
32 |
132 |
8 |
8 |
41 |
41 |
16 |
318 |
80 |
80 |
178 |
280 |
426 |
89 |
548 |
|||||||||||
|
|
|
|
|
|
(0)
|
|
|
|
|
|
|
(0)
|
Новости, обзоры и акции

