Новости, обзоры и акции
Новости, обзоры и акции
|
|
|
|
|
|
(0)
|
Описание, осевой вентилятор AXC 355-10/22°-D2:
Осевые вентиляторы AXC среднего и высокого давления применяют для вентиляции воздуха с температурой до 55?С в производственных условиях.
Конструкция, вентилятор AXC 355-10/22°-D2 Systemair:
Стальной корпус осевого вентилятора AXC оцинкован методом горячего оцинкования. Алюминиевая ступица и лопатки изготовлены методом литья под давлением. В рабочем колесе регулируется угол положения лопаток, что повышает эффективность работы вентилятора. Осевой вентилятор AXC оснащен фланцами высокой прочности, с помощью которых происходит подсоединение к воздуховоду. Подключения к сети производится с помощью соединительной коробки, которая крепится на корпусе вентилятора. Класс защиты соединительной коробки IP65.
Двигатель, вентилятор AXC:
В вентиляторах AXC осевых среднего и высокого давления установлены трехфазные двигатели, для моделей AXC 315 и AXC 355 - однофазные. Класс защиты IP55, класс изоляции F.Для защиты от перегрева используют термисторы.
Регулировка скорости, осевой вентиляторы AXC 355-10/22°-D2:
Скорость регулируется с помощью частотного преобразователя.
Монтаж, вентилятор AXC Systemair 355-10/22°-D2:
Монтируются непосредственно в воздуховод.
Технические характеристики AXC 355-10/22°-D2
|
AXC |
355-10/22°-D2 |
||||
|
Напряжение |
В |
400 |
|||
|
Частота |
Гц |
50 |
|||
|
Число фаз |
~ |
3 |
|||
|
Макс. нагрузка |
кВт |
1.1 |
|||
|
Ток |
A |
2.37 |
|||
|
Макс. расход воздуха |
м3/ч |
5040 |
|||
|
Частота вращения |
мин-1 |
2746 |
|||
|
Макс. температура |
°С |
55 |
|||
|
Масса |
кг |
34 |
|||
|
Класс изоляции двигателя |
F |
||||
|
Класс защиты двигателя |
IP 55 |
||||
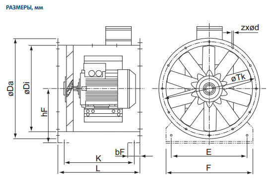
Размеры AXC 355-10/22°-D2
|
|
|||||||||
|
AXC |
?Di |
?Da |
0TK |
Z x D |
L |
s |
|||
|
355 |
355 |
435 |
395 |
8x10 |
375 |
2,5 |
|||
Аэродинамические характеристики AXC 355-10/22°-D2

|
|
|
|
|
|
(0)
|
|
|
|
|
|
|
(0)
|
|
|
|
|
|
|
(0)
|
|
|
|
|
|
|
(0)
|
Новости, обзоры и акции

