Новости, обзоры и акции
Новости, обзоры и акции
|
|
|
|
|
|
(0)
|
Широкое применение пылевой радиальный вентилятор Интеркондиционер ВРП-4.2В нашел в пылеочистных установках для пневмотранспорта. Его основная функция — удаление частиц древесной или стальной стружки, которые вырабатывают станки. Конструктивные особенности оборудования позволяют применять его в условия умеренного климата.
Вентилятор данной модели
активно применяется для перемещения воздушного потока и других газовоздушных примесей, агрессивность которых, по отношению к углеродистой стали, не превышает предельно допустимые показатели;
Основное задание вентиляционного оборудования ВРП – удаление стружки и частиц древесной или стальной пыли из циркулирующих газовоздушных потоков;
Пылевой вентилятор серии ВРП применяется в вентиляционных системах общего назначения, а также в пылеочистных установках пневмотранспорта;
Категорически запрещено использование вентиляционной установки, если в воздушном потоке присутствуют взрывоопасные, волокнистые или липкие компоненты, а температура перемещаемой среды превышает допустимую норму;
Корпус вентилятора производится из углеродистой стали с лакокрасочным напылением в виде спирали, что позволяет установить его в любом положении;
Внутри оборудования установлен мощный трехфазный асинхронный двигатель;
Комплектация оборудования гибкими вставками осуществляется по дополнительному запросу.
Технические характеристики
Модель — ВРП-4.2В;
Максимальный уровень запыленности – 1 кг/м3;
Температура перемещаемой среды – не более 80 ˚С;
Температура окружающей среды – от -40 до +40 ˚С;
Материал – углеродистая сталь.
Монтаж вентилятора осуществляется на станине под любым углом, кроме ПР 180 ˚С и Л 180 ˚С.
На нашем сайте Вы имеете уникальную возможность купить пылевой радиальный вентилятор торговой марки Интеркондиционер по самой привлекательной цене и на выгодных условиях. За более детальной информацией Вам достаточно обратиться к нашим специалистам удобным для Вас способом: позвонить по одному из вышеуказанных номеров телефонов или оставить на сайте заявку на обратный звонок.
Более детальную информацию о пылевых вентиляторах Интеркондиционер можно посмотреть здесь Радиальные пылевые вентиляторы ВРП
Пылевой радиальный вентилятор Интеркондиционер ВРП-4.2В |
|||||||||||||
|
|
|||||||||||||
|
Вентилятор |
Двигатель |
Масса вентилятора max, кг |
|||||||||||
|
D/Dn |
Частота вращения рабочего колеса, об/мин |
Установочная мощность Ny, кВт |
Частота вращения рабочего колеса, об/мин |
С двигателем |
Со взрывозащищенным двигателем |
Без двигателя |
|||||||
|
0,9 |
2865 |
3,0 |
3000 |
84,6 |
114 |
64 |
|||||||
|
2865 |
4,0 |
3000 |
90,4 |
125 |
|||||||||
|
Шумовые характеристики вентилятора Интеркондиционер ВРП-4.2В |
|||||||||||||
|
Частота, Гц |
Частота раб. колеса, об/мин |
Суммарный уровень звуковой мощности, дБ |
Октавные уровни звуковой мощности, дБ в полосах среднегеом. частот, Гц |
||||||||||
|
63 |
125 |
250 |
500 |
1000 |
2000 |
4000 |
8000 |
||||||
|
50 |
2865 |
100 |
88 |
91 |
94 |
92 |
90 |
88 |
80 |
72 |
|||
Вентилятор пылевой радиальный Интеркондиционер ВРП-4 |
|||||||||||||
|
|
|||||||||||||
|
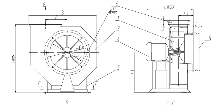
Модель |
Размеры, мм |
||||||||||||
|
Габаритные |
Установочные |
||||||||||||
|
A |
B |
H max |
H1 |
L max |
L1 |
L2 |
L3 |
C |
C1 |
d1 |
t1 |
a |
|
|
ВРП-4.2В |
200 |
623 |
725 |
460 |
670 |
168,5 |
134 |
152 |
420 |
530 |
12 |
100 |
100 |
|
|
|
|
|
|
(0)
|
|
|
|
|
|
|
(0)
|
|
|
|
|
|
|
(0)
|
|
|
|
|
|
|
(0)
|
Новости, обзоры и акции

