Новости, обзоры и акции
Новости, обзоры и акции
Дымосос для работы с неагрессивными и агрессивными смесями газов.
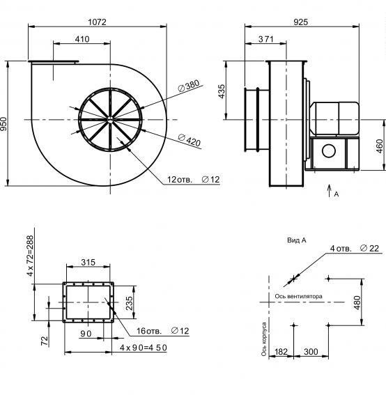
Описание характеристик и применение дымососа ДН-6,3 (3,0/1000)Дымосос ДН-6,3 (3,0/1000) используется совместно с котельными установками и оборудованием для обеспечения отведения дыма и других отработанных газовых смесей из камеры сгорания. Зачастую дымосос устанавливается с котлами и агрегатами, применяющими топливо угольного или мазутного типа. Работа дымососа регламентируется при показателе производительности котлового агрегата или котла по пару 2,5-320 т/ч, а также при условии наличия необходимых средств для обеспечения эффективной очистки смеси воздуха от золы. В конструкции крыльчатки дымососа применяются 16 загнутых назад лопаток, которые захватывают и перемещают рабочую смесь на очистку. Дымосос работает с применением всасывания смеси, которое осуществляется в одностороннем направлении. Материалы и схемы исполнения дымососа ДН-6,3 (3,0/1000)Схема исполнения – 3 (соединение рабочего колеса и вала двигателя при помощи промузла). Конструктивное исполнение – общепромышленное или взрывозащищенное. Корпус дымососа выполняется поворотным, и в зависимости от исполнения может быть правого или левого вращения. Материалы:
Схема поворота корпуса дымососа ДН-6,3 (3,0/1000)Обозначения:
Условия эксплуатации дымососа ДН-6,3 (3,0/1000)
Монтаж дымососа ДН-6,3 (3,0/1000)Установка дымососа выполняется на поверхность фундамента. При этом стоит обеспечить исключение превышения уровней рабочей вибрации и шума, согласно ГОСТ 12.1.003 и ГОСТ 12.1.012 (что выполняется путем звукоизоляции вентиляционных каналов и трубопроводов системы). Конструктивные элементы, выполненные из металла, снаружи следует оснастить теплоизолирующим материалом. Самое главное – пространство установки дымососа не должно ограничивать доступ к устройству, для комфортного и полноценного проведения технического обслуживания и эксплуатации. Конструкция и работа дымососа ДН-6,3 (3,0/1000)Дымосос ДН-6,3 (3,0/1000) состоит из таких основных элементов, как корпус (улитка), рабочее колесо с лопастями, коллектор, направляющий аппарат, электродвигатель и станина. Изготовление дымососа осуществляется согласно показателям ТУ У 29.2.25185354-001-2002. Рабочее колесоРабочее колесо дымососа радиально оснащено 16 лопатками, загнутыми вперед, которые выполняют захватывание и перемещение загрязненной смеси газов по корпусу. Лопатки насаживаются сварным способом. Колесо состоит из двух дисков, соединенных ступицей. Ступица в месте посадки колеса на вал также оснащена шлицевыми пазами, которые обеспечивают отсутствие чрезмерного нагрева вала и подшипников (поскольку позволяют атмосферному воздуху отводить излишки тепла). Вращение рабочего колеса выполняется под действием центробежных сил (в правую или левую сторону, в зависимости от исполнения). Корпус (улитка)Корпус дымососа ДН-6,3 (3,0/1000) имеет характерную форму, подобную спирали. Очищаемая смесь перемещается по корпусу радиально. Для изготовления улитки применяется листовой материал, согласно типу исполнения дымососа. Корпус конструируется сварным способом. Стенки его выполняются утолщенными и износостойкими. Также улитка предоставляет возможность выполнения поворота в диапазоне от 0 до 270 градусов. КоллекторКонструкция коллектора имеет цилиндрическую форму, и служит для подачи загрязненной газо-воздушной смеси непосредственно к дымососу. Благодаря нему смесь поступает равномерно и однонаправлено, что в итоге обеспечивает эффективную работу дымососа. Направляющий аппаратНаправляющий аппарат дымососа также имеет цилиндрическую форму. Конструкция его осевая. Внутри расположено поворотное кольцо, в котором размещаются 6 листовых лопаток, прикрепленных к кольцу рычагами. Также в комплектации есть обтекатель. Кольцо с лопастями могут свободно вращаться в диапазоне от 0 до 90 градусов, и таким образом выполняется регулирование подачи смеси непосредственно к рабочему колесу дымососа. Регулирование также может осуществляться с применением привода ручного или автоматического управления. СтанинаСтанина сконструирована из чугуна, сварным способом. Эта своего рода рамная конструкция удерживает на себе корпус дымососа с его наполнением, а также позволяет закрепить устройство на рабочем фундаменте. Также станина допускает вариант крепления дымососа на виброизоляторах, если уровень рабочей вибрации превышает поставленную норму. Закрепление устройства обеспечивается наличием специальных отверстий у основания. Кроме показателя вибрации, важно обеспечить температуру станины не выше 45°С. Это необходимо для комфортного и безопасного применения дымососа персоналом. В случае применения дымососа в среде повышенных температур, станину необходимо оснащать слоем теплоизолирующего материала. ЭлектродвигательПри помощи электродвигателя дымосос ДН-6,3 (3,0/1000) приводится в действие. Применяются асинхронный двигатель (общепромышленного или взрывозащищенного исполнения, в зависимости от типа исполнения дымососа). Мощность двигателя составляет 3 кВт, с количеством оборотов вала 1000 в минуту. Монтаж двигателя в конструкцию обеспечивается третьей схемой исполнения. |
|
Характеристика |
Значение |
|
Номер исполнения |
3 |
|
Тип электродвигателя |
|
|
Мощность электродвигателя, кВт |
3 |
|
Частота оборотов вала электродвигателя, об/мин |
1000 |
|
Давление, Па |
240-610 |
|
Производительность, тыс. м3/час |
0,7-5,25 |
|
Предельно-допустимая температура газовых смесей, °С |
-30°С…250 |
|
Предельная концентрация грязи и пыли, мг/м3 |
100 |
|
Допустимая вибрация вентилятора, мм/с |
5 |
|
Диапазон температур для эксплуатации, °С |
-40…+40 |
|
Масса, кг |
- |
|
Номер исполнения |
Частота вращения рабочего колеса, об/мин |
Суммарный уровень звуковой мощности, дБ, не более |
Октавные уровни звуковой мощности, дБ, не более, в полосах среднегеометрических частот, Гц |
|||||||
|
63 |
125 |
250 |
500 |
1000 |
2000 |
4000 |
8000 |
|||
|
3 |
1425 |
103 |
97 |
94 |
93 |
98,5 |
91,5 |
90,5 |
86 |
77,5 |
|
2940 |
125 |
110 |
111 |
114 |
118 |
121 |
114 |
110 |
103 |
|
|
1425 |
103 |
97 |
94 |
93 |
98,5 |
91,5 |
90,5 |
86 |
77,5 |
|
|
2940 |
125 |
110 |
111 |
114 |
118 |
121 |
114 |
110 |
103 |
|

Аэродинамические характеристики позволяют определить конкретное значение рабочих параметров при использовании различных рабочих режимов.
Параметры, определяемые по графику:

Новости, обзоры и акции