Новости, обзоры и акции
Новости, обзоры и акции
ВЕНТС ВКПФИ 4Д 500х300 оснащен надежным корпусом из высококачественной оцинкованной стали, асинхронным мотором, звуковой и тепловой изоляцией.
Характеристики:
Бесплатная доставка по Украине + подарок 20% от стоимости вентилятора
Центробежный вентилятор Вентс ВКПФИ 4Е 500х300 – это трехфазное устройство на 4 полюса с прямоугольным сечением 500х300 мм. Вентилятор подходит для приточной, вытяжной и приточно-вытяжной систем вентиляции. Производителем гарантируется длительный срок службы агрегата. А все благодаря предэксплуатационному процессу балансирования и наличию специальных подшипников качения на корпусе агрегата. Управлять вентилятором легко, а установить в воздуховод – еще проще. Вентс ВКПФИ 4Д 500х300 тихий в работе и безопасен. Подходит для офисов, ресторанов, магазинов и других помещений, где требуется низкий уровень шума. Компания «Вентс» обеспечила данную серию вентиляторов тепловой защитой.
Корпус представленного агрегата сделан из материала стойкого к негативным условиям и высокопрочного, а именно из оцинкованной стали. Корпус из такого материала не только не подвержен деформации, но и не ржавеет. К тому же, для звуковой изоляции предусмотрен слой минеральной ваты (толщина 50 миллиметров). Детали агрегата соединены заклепками. Для непосредственного соединения с воздуховодом на корпусе есть обычные фланцы шириной 20 миллиметров.
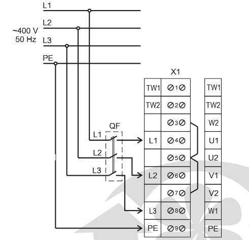
Двигатель канального вентилятора для прямоугольных каналов роторный и асинхронный. Рабочее колесо мотора сделано из оцинкованной стали и оснащено лопатками, которые направлены вперед. Трехфазный двигатель имеет 4 полюса. В обмотке двигателя имеются встроенные термические контакты, которые защищают вентилятор от перегрева. Перезапускаются они автоматически. Для хорошей фиксации вентилятора и длительного срока службы на корпусе есть специальные подшипники качения. Класс защиты двигателя – ІР Х4. Мощность, потребляющаяся вентилятором, – 855 Вт. Производительность вентилятора – 2350 м3/ч. Вес вентилятора ВКПФИ 4Д 500х300 составляет 52,5 килограмма.
Регулировка скорости представленного вентилятора осуществляется при помощи трансформаторного регулятора. Регулирование ступенчастое. Есть возможность подключить несколько вентиляторов к одному регулятору. При этом нужно принять к сведению, что при превышении показателей мощности и рабочего тока вентиляторов регулятор не будет эффективно работать.
При помощи подсоединительных фланцев центробежный канальный вентилятор монтируется прямо в воздуховод. Установка вентилятора простая и быстрая. На корпусе агрегата присутствует специальная крышка, через которую осуществляется доступ к двигателю. Поэтому, во время установки агрегата в воздуховод, нужно предусмотреть легкий доступ к этой крышке. Она должна полностью и легко открываться. Учитывать надо и направление потока воздуха. Для установки агрегата вне помещения требуются гибкие вставки и крепежи: кронштейны, подвести, опоры. Кроме того, необходимо установить для вентилятора и защиту от попадания влаги. Обслуживание вентилятора происходит через технологическую крышку.
Важно!!! Центробежный однофазный вентилятор VENTS ВКПФИ 4Д 500х300 не предназначен для взрывоопасных помещений.
В комплект входит:
Технические характеристики ВЕНТС ВКПФИ 4Д 500х300 |
|
|
Параметр |
Величина |
|
Модель |
ВЕНТС ВКПФИ 4Д 500х300 |
|
Напряжение |
400, В |
|
Ток |
1,7, А |
|
Частота тока |
50, Гц |
|
Потребляемая мощность |
855,Вт |
|
Максимальный расход воздуха |
2350, м3/ч |
|
Частота вращения |
1230, мин-1 |
|
Уровень звукового давления на расст. 3 м |
47, dB(A) |
|
Максимальная температура перемещаемого воздуха |
-20 +50, оС |
|
Защита |
IP X4 |
|
Масса |
52,5, кг |
|
Размер патрубка |
500х300, мм |
|
Двигатель повышенной мощности |
Нет |
|
Малошумное исполнение |
Да |
|
Двигатель с низким энергопотреблением |
Нет |

|
Габаритные размеры, мм |
|||||||
|
В |
В1 |
В2 |
Н |
Н1 |
Н2 |
Н3 |
L |
|
500 |
520 |
540 |
300 |
320 |
340 |
460 |
680 |

Новости, обзоры и акции