Новости, обзоры и акции
Новости, обзоры и акции
|
|
|
|
|
|
(0)
|
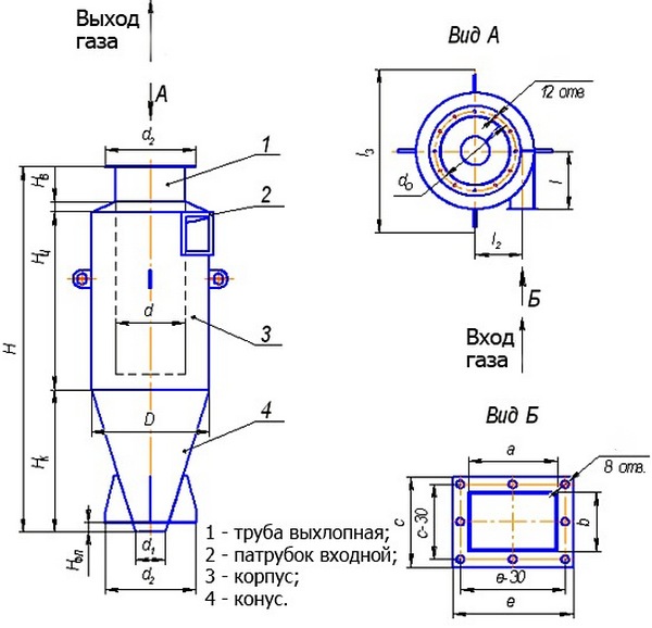
Циклон ЛИОТ-5 – это промышленный пылеуловитель, спроектированный для очистки газа и воздуха от зерновых пылей, применяется на различных предприятиях, занимающихся обработкой зерна.
ПРИМЕЧАНИЕ: Цены на циклоны ЛИОТ даны без стоимости бункера, постамента и пылевого затвора (стоимость рассчитывается отдельно).
Циклон ЛИОТ-5, будучи промышленным воздухоочистителем, обеспечивает грубую и среднюю очистку газовоздушных масс на предприятиях, которые обрабатывают зерновые культуры. Зерноперерабатывающие объекты, такие как элеваторы, комбикормовые заводы, зернохранилища являются основной сферой применения циклонов этой модели.
Массовая концентрация пыли в очищаемом газе, г/м3 – 400. Температура очищаемого газа, °С не более 400. Давление (разрежение), Па 798. Коэффициент гидравлического сопротивления циклонов: для одиночного исполнения 460, c «улиткой» 411. Оптимальная скорость в циклоне 1,5 м/сек. Оптимальная скорость на входе 15,5 м/сек.
Как и какой-либо другой технике, циклонам также необходим периодический осмотр. Во время их работы важно осуществлять непрерывную выгрузку пыли, так как его уровень должен быть не выше уровня плоскости, расположенной на 0,5 диаметра от крышки бункера циклона.
Более подробную информацию о циклонах ЛИОТ смотрите ЗДЕСЬ!

|
Размеры в мм |
||||||||||||
|
D |
d |
d1 |
d2 |
d0 |
H |
l |
l2 |
l3 |
a |
b |
c |
e |
|
1230 |
730 |
310 |
835 |
735 |
3650 |
615 |
490 |
1325 |
385 |
250 |
310 |
445 |
Характеристики |
|
|
№ Циклона |
ЛИОТ-5 |
|
Производительность по воздуху |
6500-8000 м3/ч |
|
Диаметр |
1230 мм |
|
Высота |
3650 мм |
|
Размер патрубка |
385х250 мм |
|
Масса |
365 кг |
|
|
|
|
|
|
(0)
|
|
|
|
|
|
|
(0)
|
|
|
|
|
|
|
(0)
|
|
|
|
|
|
|
(0)
|
Новости, обзоры и акции
