Новини, огляди та акції
Новини, огляди та акції
Вентилятор з відцентровим колесом, з переміщенням агресивної суміші під тиском.
Відцентровий вентилятор ВЦ 4-70-3,15 (2,2/3000) ВЗ вибухонебезпечного виконання - загальні характеристикиЗастосування даної моделі вентилятора актуально для систем, які працюють з газоподібними речовинами агресивного характеру, а також газоподібними домішками, схильними до небезпеки вибуху. Згідно ПУЕ («Правил влаштування електроустановок»), використання даного вентилятора регламентовано для систем, в яких виконується переміщення газоподібних сумішей вибухонебезпечного характеру, що відносяться до категорій 1 і 2 в групах Т1, Т2, Т3. При цьому, дані домішки і речовини не повинні надавати корозійного або іншого подібного впливу на матеріал конструкції вентилятора, а також знижувати бар'єр стійкості його конструкції до даних впливів. Конструктивне виконання та експлуатація вентилятора виконується відповідно до ТУ У 29.2-00909779-001-2002. В основі вентилятора застосовується робоче колесо, яке обертається під дією сил відцентрового характеру. Виконання вентилятора може бути право- і лівостороннім (відповідно до напрямку руху робочого колеса). Найчастіше вентилятор ВЦ 4-70-3,15 (2,2/3000) ВЗ застосовується в таких системах і установках :
Виходячи з представлених основних вимог, для конструювання вентилятора застосовуються такі матеріали:
Дані матеріали є вибухозахищеними, а також не сприяють появі іскріння в процесі роботи вентилятора, що також особливо важливо для застосування даних пристроїв з агресивними речовинами з вибухонебезпечними характеристиками. Додатково комплектація вентилятора виконується двигуном 4ВР80В2 з захистом від вибуху (потужністю 2,2 кВт і з частотою обертів вала 3000 об / хв ). Згідно з першим типом виконання вентилятора, під'єднання двигуна до конструкції вентилятора виконується з використанням вала двигуна. Умови застосування вентилятора ВЦ 4-70-3,15 (2,2/3000) ВЗЗгідно зі встановленими (описаним вище) вимогам, застосування вентилятора можливо в умовах клімату категорії У3 (помірний). При цьому, варто виділити основні параметри експлуатації:
Виняток у застосуванні вентилятора ВЦ 4-70-3,15 (2,2 / 3000) ВЗ:
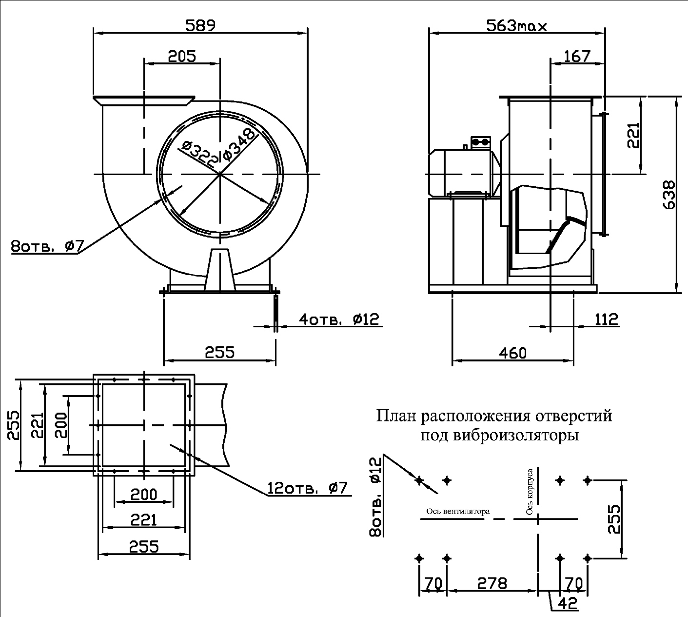
Схема установки корпусу вентилятора ВЦ 4-70-3,15 (2,2 / 3000) ВЗ
Вказано вид з боку всмоктування суміші. ПР - вентилятор з колесом правого обертання; ЛЕВ - вентилятор з колесом лівого обертання. Особливості конструкції та роботи вентилятора ВЦ 4-70-3,15 (2,2 / 3000) ВЗВентилятор конструктивно складається з таких основних частин, як корпус, станина, колектор, робоче колесо, електродвигун. Основні елементи конструкції вентилятора виконуються з таких вибухозахищених матеріалів як сплави алюмінію і нержавіюча сталь. Важливим моментом в конструкції вентилятора є попередження появи іскріння, яке є неприпустимим для роботи з вибухонебезпечними речовинами. Тому в конструкції передбачено застосування вставок з латуні, яка не є іскристим матеріалом. Корпус має форму спіралі, або равлики, і вміщає в собі основний елемент - робоче колесо. Колесо складається з двох дисків, для з'єднання яких застосовується маточина. За його краю радіально розташовані 12 лопаток, відігнутих назад, для ефективного захоплення повітря і подальшого його переміщення в корпус під тиском. Обертання колеса можливо в правостороннем і лівосторонньому напрямку. До робочого колесу подача суміші виконується з вхідного патрубка, який прикріплений до вентилятора, з використанням колектора. Колектор має форму конуса. Він також може переміщатися у вхідному патрубку, цим самим змінюючи ширину пропускання суміші (точніше, величину перекриття), завдяки чому можна відрегулювати її кількість, що подається на переміщення робочим колесом. Від лопаток робочого колеса повітря, завдяки створюваному тиску, переміщається по равлику, і звідти виводиться в канали системи через вихлопну частину. Станина є частиною вентилятора, яка утримує корпус і електродвигун, а також забезпечує міцність установки вентилятора на робочій поверхні. Двигун кріпиться за допомогою валу. До того ж, в комплекті вентилятора надаються віброізолятори ДО38 в кількості 4 штук. Монтаж вентилятора виконується із застосуванням спеціальних отворів у підставі станини, які забезпечують ефективне кріплення, як на віброізоляторах, так і без них. |
|
Характеристика |
Значення |
|
Номер виконання |
1 |
|
Тип електродвигуна |
4ВР80В2 |
|
Потужність електродвигуна, кВт |
2,2 |
|
Частота обертів вала двигуна, об/хв |
3000 |
|
Повний тиск, Па |
880 |
|
Продуктивність, м3/год |
1700 |
|
Гранично допустима температура газових сумішей, °С |
+80 |
|
Гранична концентрація бруду і пилу, мг/м3 |
100 |
|
Допустима вібрація вентилятора, мм/с |
5 |
|
Діапазон температур для експлуатації, °С |
-40…+40 |
|
Номер |
Конструктивне |
Частота |
LpA, дБА |
Значення Lpi в октавних полосах f, Гц |
|||||||
|
63 |
125 |
250 |
500 |
1000 |
2000 |
4000 |
8000 |
||||
|
(2,2/3000) |
1 |
1500 |
67 |
58 |
61 |
69 |
62 |
60 |
58 |
50 |
41 |
|
3000 |
84 |
72 |
73 |
76 |
84 |
77 |
75 |
73 |
65 |
||

|
Типорозмір |
D/Dн |
Електродвигун |
Продуктивність, м3/год |
Повний тиск, Па |
Маса вентилятора, кг |
||
|
Тип |
Частота, об/хв |
потужність, кВт |
|||||
|
3,15 |
Зменшений діаметр робочого колеса |
||||||
|
0,95 |
АИМ63А4 |
1500 |
0,25 |
0,7-1,8 |
270-160 |
31 |
|
|
АИМ63В4 |
0,37 |
0,7-1,8 |
270-160 |
32 |
|||
|
АИМ71А4 |
0,55 |
0,7-1,8 |
270-160 |
35 |
|||
|
АИМ80А2 |
3000 |
1,5 |
1,4-3,7 |
1100-650 |
43 |
||
Умовні позначення:

Новини, огляди та акції