Время работы:
ПН-ПТ 8-21
СБ-ВС 10-16

 Замовити дзвінок
+38(050)344 33 23
+38(067)217 47 33
+38(050)344 33 20
UA
Для проектувальників, монтажників і будівельників ексклюзивні умови на товари, роботи і послуги. Телефонуйте, домовимось!

Вентилятор димовидалення ВРДВ-80-75-4В

У нас цены настолько низкие
что их пришлось убрать. Звоните!

В наявності 100
Запит ціни
Запитати про ціну
Вентилятор димовидалення ВРДВ-80-75-4В
Ім'я*
Телефон*
Час дзвінка*
Повідомлення
Код з картинки*
CAPTCHA
Артикул: -
(0)

Радіальний вентилятор димовидалення Інтеркондиціонер ВРДВ-80-75-4В призначений для димовидалення в комерційних, промислових або громадських будівлях. Обладнання цієї моделі відрізняється високими показниками продуктивності, стійкістю до високих температур і корозії, економічністю, а так же простотою монтажу та обслуговування. Використовується такий вентилятор в умовах помірного кліматичного поясу.

Характеристики
Производитель Интеркондиционер
Производство Украина

Вентилятор радіальний для систем димовидалення ВРДВ-80-75-4В (Інтеркондиціонер) - загальні відомості

  • Вентилятор цієї моделіВентилятор радиальный дымоудаления Интеркондиционер ВРДВ-80-75 призначений для видалення газів, які утворюються в процесі пожежі;
  • Вибухозахищене виконання обладнання дозволяє застосовувати його в будь-який промислової галузі;
  • Вентиляційне обладнання комплектується спеціальним захистом від перегріву, яка забезпечує стабільну і безперебійну роботу протягом всього експлуатаційного терміну;
  • Відмінні характеристики радіального вентилятора даної моделі дозволяють переміщати середу, температура якої досягає 600 °С;
  • Додаткова опція вентилятора - захист від впливу атмосферних опадів;
  • Комплектація обладнання гнучкими вставками здійснюється за додатковим запитом.

Характеристики

  • Показники температури навколишнього середовища не повинні перевищувати від -40 до +40 °С;
  • Максимальна температура переміщуваних газів - 600 °С;
  • Мінімальний час роботи - 120 хвилин.

Варіанти положення корпуса

Вентилятор дымоудаления Интеркондиционер ВРДВ-80-75 варианты положения

Експлуатація

Вентилятор розрахований на роботу в умовах помірно-холодного клімату 2-ї категорії.

Монтаж

Установка вентилятора здійснюється поза зоною постійного скупчення людей і за межами будівлі.

Купити радіальний вентилятор димовидалення Інтеркондиціонер ВРДВ-80-75-4В в Україні за доступною ціною

Замовити вентилятор для систем димовидалення торгової марки Інтеркондціонер за найкращою ціною Ви можете на нашому сайті. Крім того, Ви маєте можливість скористатися широким спектром послуг - від підбору вентиляційного обладнання до монтажу і техобслуговування. Також у нас Ви можете замовити одну конкретну послугу за доступною ціною. Постійним клієнтам передбачена гнучка система знижок!

Також на нашому сайті Ви маєте змогу ознайомитися з іншими моделями радіальних вентиляторів для димовидалення Интеркондиционер і підібрати для себе найбільш підходящий варіант Радіальні вентилятори димовидалення ВРДВ-80-75


Вентилятор радіальний димовидалення ВРДВ-80-75-4В

Вентилятор радиальный дымоудаления Интеркондиционер ВРДВ-80-75

Модель

D/Dn

Частота струму, Гц

Частота обертів робочого колеса, об/хв

Сумарний рівень звук. потужності, дБ

Октавні рівні звукової потужності, дБ

63

125

250

500

1000

2000

4000

8000

ВРДВ-80-75-4В

1,0

50

860

78

65

68

76

69

67

65

57

46

1357

87

74

77

85

78

76

74

66

57

2850

103

90

93

101

94

92

90

82

73

0,9

1320

83

70

73

81

74

72

70

62

53

2850

99

87

90

98

91

89

87

79

71

0,95

860

76

63

66

74

67

65

63

55

44

1357

85

62

65

73

66

64

62

54

45

2850

101

84

87

92

88

86

84

76

67

1,05

860

80

67

70

78

71

69

67

59

48

1350

89

76

79

87

80

78

76

68

59

2895

104

91

94

102

95

93

90

82

74

1,1

915

82

69

72

80

73

71

69

61

50

1395

91

78

81

89

82

80

78

70

61

2895

107

94

97

105

98

96

94

86

77

Комплектація вентилятора ВРДВ-80-75-4В електродвигунами

Вентилятор

Двигун

Маса, кг

Модель

D/Dn

Частота обертів робочого колеса, об/хв

Установча потужність

Частота обертів робочого колеса, об/хв

Без двигуна

З двигуном

Зі вибухозахисним двигуном

ВРДВ-80-75-4В

1,0

860

0,25

1000

48

52,55

64

1357

0,55

1500

48

56,6

67,5

0,9

1320

0,37

1500

48

53,6

63,5

0,95

860

0,25

1000

48

52,55

64

1357

0,55

1500

48

56,6

67,5

1,05

860

0,25

1000

48

52,55

64

1350

0,75

1500

48

57,4

68,5

1,1

860

0,25

1000

48

52,55

64

1350

0,75

1500

48

57,4

68,5

1395

1,1

1500

48

59,9

91

Радіальний вентилятор димовидалення Інтеркондиціонер ВРДВ-80-75-4В

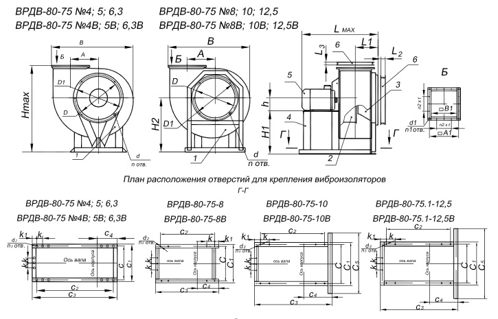
Вентилятор радиальный дымоудаления Интеркондиционер ВРДВ-80-75 габаритные размеры

Модель

Розміри, мм

Габаритні

Установчі

A

B

Hmax

H1

H1

Lmax

L1

L2

L3

C

C1

C2

C3

C4

C5

d2

n3

k

k1

ВРДВ-80-75-4В

260

742

790

430

-

650

195

134

152

380

410

616

700

228

-

12х45

15

80

42

Вентилятор дымоудаления Интеркондиционер ВРДВ-80-75-4 аэродинамика

Замовити дзвінок
Ім'я*
Телефон*
Час дзвінка*
Повідомлення
Код з картинки*
CAPTCHA

{cpt_news_short_list news_num='5' overridestyle=''}